液压伺服控制技术是随着液压传动技术发展和应用而发展起 来的的新型液压控制技术。其控制精度和响应的快速性远远高于普通的液压传动,在现代工业生产中被广泛采用。在液压技术实验教学环节中,伺服阀的静态、动态 性能测试能够让学生直观的了解伺服系统核心元件的性能和主要参数。我单位设计开发的电液伺服测试试验台可以满足高等院校、职业院校的实验教学及科研开发要 求。并可以根据现场的实际需要经升级后增加新的实验项目,具有良好的可扩展性。
1、实验内容:
掌握实验的基本技能,进一步了解机电一体 化技术及计算机辅助测试即CAT技术的应用,提高学生测试技能和动手能力。了解电液伺服阀的静态特性和动态特性,并掌握其性能测试的实验分析方法。了解电 液伺服阀控液压缸系统(开环、闭环)在正弦输入和阶跃输入时的响应特性,加深对反馈控制的理解。增加了比例溢流阀、比例电磁换向阀,通过专用的比例电路控 制比例阀,达到对比例阀的认识及应用。
2、实验标准:
2.1机械电子工业部1989年发布、实施的JB/JQ20233-88《电液伺服阀试验方法》;
2.2航空工业部1987年发布的HB5610《电液流量伺服阀通用技术条件》;
2.3国家标准GB/T15623-1995《电液伺服阀试验方法》。
3、主要技术参数
系统额定工作压力:10Mpa;单泵6.67L/min—单电机1.5KW (进口件) 共2套;泵源AC 380V;控制电压:DC24V;组合方式搭接。
3.1能够完成伺服阀的特性实验、伺服系统的闭环控制实验、伺服系统的开环控制实验(阶跃信号响应、正弦信号响应)等实验项目
3.2采用数据采集系统,可进行实验数据采集、实验数据分析处理、激励信号发生、等功能,要求软硬件齐全、界面友好。数据采集板卡采用32通道模拟输入、16通道数字输入和12路模拟输出。
3.3静态流量测量精度<2%,动态流量测量频带宽度>100Hz,压力测量精度<2%,压力测量频带宽度>100Hz。
3.4 工控机配置:(工业控制计算机是整个数据采集与处理系统的核心。为适应高速采集运算、海量存储的现代计算机发展趋势,可配置一台基于PIV架构的计算 机:945GZ主板/E2180(酷睿 双核2.0G)1G DDRII533/集成显卡、网卡、声卡/160G SATA/防水抗菌键盘/光电鼠标/17寸液晶/三年有限保修三年上门/硬盘保护/DOS系统/一键恢复;打印机(彩色喷墨,分辨 率:5760×1400dpi,打印内存:标配内存:48MB;最大内存:256MB,接口类型:USB2.0)、显示器和PLC控制器(8位数字量输 入,6位数字量输出,工作电源:24VDC/4.5A
3.5软件开放良好性好,提供进行二次开发的程序接口。
3.6泵站额定流量:6.67L/min;
4、实验台的整体设计
电 液伺服阀的静态特性包括压力增益特性、空载流量特性、压力流量特性、内部泄漏特性等。实验中应该测量的参数有:控制流量Q 、供油压力ps、回油压力pt、控制口压力pa 、pb 等。电液伺服阀的动态特性通常用它的频率特性或阶跃响应特性来表示。实验借助无载缸完成电液伺服阀的动态特性的测试。实验应该测量的参数有无载缸的位移s 等。
本实验台由液压站、电控部分、立式仪表柜以及数据采集工控等四部分组成。电控部分主要是液压站供电的控制柜,可集成在液压站前面板上。仪表柜 是液压站工作参数的显示面板,根据人机工程学原理,仪表柜设计成立式结构,内部安装高精度仪表及放大器组件,为保证仪表供电稳定,仪表柜中安装高质量稳压 电源及安全保护电路。工控机是整个系统的控制核心,内部安装高精度数据采集卡及标准模拟量输出单元,它可对整个系统实现CAT,并通过I/O电路对液压系 统进行远端控制。工控机配备液晶显示单元及激光打印输出单元,可实现实时数据显示及数据处理和表格曲线打印输出。
5液压系统设计
5.1系统构成:
动静态特性试验采用同一试验台。在测试静态特性时,通过安装在液压缸油路上的截止阀来阻断通往液压缸的油路。动态特性测试时则只打开到液压油缸的通路。
硬 件配置方面:在电液伺服阀的进油口、两个负载口安装三个压力传感器,获得压力参数并变送输出。在两负载口之间设计一整流回路,并安装涡轮流量计,得到控制 油路流量参数。比例节流阀同涡轮流量计串联,通过改变节流阀节流口的大小,得到不同的负载压力。回油路的流量传感器可测系统的泄漏流量。测试动态特性时, 由于液压油缸的速度与阀输出的空载流量成正比,在活塞杆上加装速度传感器,测量速度值乘以相关系数即可获得伺服阀的输出流量。
5.2原理图
5.3系统动态缸的定中
由 于被试伺服阀具有原始零偏、液压油缸由于加工和装配时的公差配合等原因造成油缸两腔泄漏不一致,活塞与缸筒之间在左右往复运动时摩擦力不对称等因素,当系 统在正弦信号激励下,活塞在作往复运动时会逐渐偏离其原始中立位置。因此在活塞杆另一端带一只位移传感器,其输出信号反馈到伺服放大器的输入端来纠正活塞 的偏移。
6、数据采集及工控部分设计
CAT实验台的特点是全部试验数据都是由计算机自动采集和处理的。试验时,信号由相应的传感器检测, 先送至仪表柜上的二次仪表,二次仪表对传感器信号进行放大、滤波转换后,进行数字显示,并通过相应的接口电路传输给工控机,由测试软件进行数据处理,实现 存储、显示、报表、打印等功能。同时电磁阀特别是电液伺服阀的动作控制通过计算机用程序来实现。

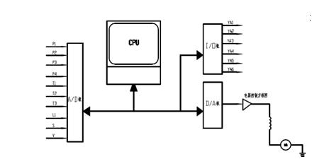
电气控制方框图
6.1 传感器及二次仪表
根据国 家标准GB/T15623-1995《电液伺服阀试验方法》的要求,在电液伺服阀的具体测试试验项目中,需要测量伺服阀的进出口和两个控制油口的油液压 力,进出油口的油液温度以及流量等试验数据。根据液压系统的油液压力和流量条件选择压力、温度、流量传感器如下。并根据各种传感器的便送输出情况选择二次 仪表。并对传感器和二次仪表的安装和显示等条件提出具体要求。
6.2 采集板卡和控制板卡
根据测试系统的系统功能和要求,整个数据采集和处理系统要实现以下功能:
1传感器和二次仪表的测试数据的输入
2根据测试试验项目的不同,控制相关电磁阀的开闭
3程序控制电液伺服阀的动作和开度
传感器采集的压力、温度、流量等测试数据经过二次仪表便送输出后,通过A/D板接口电路送至工控机,由软件进行处理。
电磁阀的开闭通过工控机输出电平信号来控制,经过放大后控制相关电磁阀的动作。
电液伺服阀的动作和开度通过程序手动或者自动实现,将程序输出的数字量转变成模拟量,输出到电液伺服阀的放大线圈控制电液伺服阀的相关动作。
7、测试软件
为 了使软件界面更加友好、操作更加简单,我们开发了全中文的基于Window2k和XP操作系统的测试软件,界面美观大方,提示信息及其帮助全部为中文,易 于掌握,操作使用方便,系统稳定性和容错性好。为了便于维护和使用,软件在设计开发时采用了模块化结构以及分层菜单和容错技术。为提高数据采集的精度,程 序中使用了多媒体定时器,采样精度达到1ms。同时在软件的编制中采用了多线程技术,采集、显示和存储分线程操作,提高采集和显示的实时性,同时加速代码 执行速度,节约系统资源。数据库采用SQLSERVER2000便于数据的保存和查询。
在主控模块中,根据试验项目及其扩展功能来设计菜单,测试 软件的主要菜单内容包括:文件、系统测试、报表管理、技术参数入库、设置、工具和帮助等。对于每一个测试项目,通过点击菜单或者界面上的相关按键,程序对 液压系统的相关电磁阀和电控系统的加载装置自动进行相关设置,只需要填写试验的编号,手动填写其他相关参数,即可完成相关的试验,操作方便,易学易用。用 户也可在界面上手动设置液压系统和电控系统,进行其他一系列扩展试验,灵活性高。报表管理给用户和数据库之间建立了一个交互的平台,可以轻松实现试验数据 和相关试验图线的查询和打印。设置菜单为用户提供了更加人性化的功能,如前端显示、开机自动运行、显示每日一贴、最小化至任务栏等。工具菜单则可以使用户 在不退出检测系统的情况下轻松调用计算器、记事本、画图板等常用工具。
8、测试方法
8.1静态特性实验
8.1.1无载流量特性实验:
将比例节流阀的开口调节至最大,此时可以看作油液无损失通过。输入整个额定电流范围电流,显示试验曲线,并由计算机进行数据处理及分析,数字显示出额定流量(正向与反向)、流量增益(正向与反向)、线性度(正向与反向)、不对称度、滞环。
8.1.2压力增益实验:
将比例节流阀的开口关死,实现负载的无穷大。控制电流在正负额定电流范围变化,显示两控制油口的压力变化情况。
8.1.3负载流量特性实验:
首 先调节溢流阀使压力达到电液伺服阀的额定压力。信号源产生0. 01Hz 的三角波,幅值由用户输入。此信号经过伺服放大器驱动放大后,送入电液伺服阀,计算机发出信号,通过比例放大器驱动放大后,控制比例节流阀的开口,以实现 测试系统的外负载。现场的压力或流量信号由相应的压力传感器和流量传感器获得,通过信号调理电路后,进行A/ D 转换,然后输入计算机。计算机对数据进行处理(传感器的非线性校正、数字滤波、曲线拟合) 后,输出实验曲线。
8.2动态特性实验
8.2.1 频率响应实验(亦即动态特性实验):调节系统压力至阀的额定压力。虚拟仪器的信号源产生5-200Hz 的正弦扫频信号,此信号经过驱动放大后,送入电液伺服阀,与此同时,伺服阀的输出流量,通过安装在液压油缸上的速度传感器获得,经信号调理和A/ D 转换后,输入计算机。计算机对电液伺服阀的输入信号和输出信号进行快速傅立叶变换,得到其幅值比和相位差,输出波德图。
自动扫频测试后,显示出被试伺服阀频率响应波德图,然后数字显示幅频宽(-3db)、相频宽(-90º)。
8.2.2阀控液压缸系统阶跃响应特性实验。
只打开接液压缸的油路阀门,给伺服阀输入系统在阶跃输入时的响应特性等。
9、测试系统的特点
(1) 系统动静态性能测试采用同一个实验台,通过相应截止阀的开闭,实现动静态性能试验的切换
(2)全部实现计算机辅助测试及远程控制,软件接口开放,可灵活扩展与升级
(3) 系统加载采用比例节流阀,节省了人力和实验时间,且实验结果精确。
(4) 所有实验所需的输入信号,均由计算机的虚拟信号源产生,简化了实验设备(如超低频信号发生器、频响分析仪等) 。
(5) 实验过程中的压力、流量、输入电流等信号,均通过虚拟仪器的软面板显示,简化了实验仪表(如压力表、流量表、电流表等) 。